麻豆在线
中国政府网
湖北省政府网
武汉市政府网
长者专区
繁体
登录
注册
麻豆在线
麻豆在线公开
办事服务
互动交流
数据开放
魅力汉阳
站群导航
搜索
关闭
热门搜索:
复工复产
汉阳造
新冠肺炎
防控
登录
注册
热门搜索:
复工复产
汉阳造
新冠肺炎
防控
麻豆在线
麻豆在线公开
办事服务
互动交流
数据开放
魅力汉阳
站群导航
当前位置:
麻豆在线
>
部门信息公开
>
政府工作机构
>
区财政局(区国资局)
>
法定主动公开内容
>
财政资金
>
财政预决算
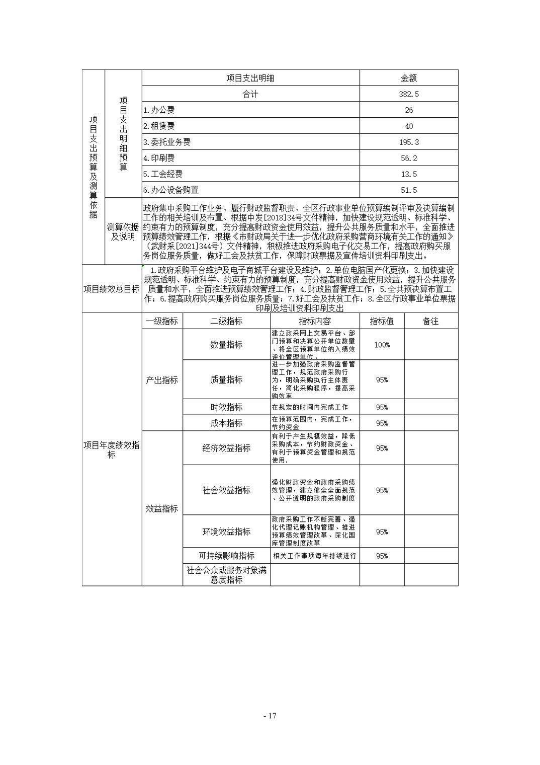
2022年麻豆在线 财政局预算公开
来源: 区财政局
发布时间:2022-01-21 11:27
【 打印 】
【 下载 】
字号: 【
大
】 【
中
】 【
小
】
分享:
扫一扫在手机上查看当前页面
区长信箱
意见征集
问卷调查
智能问答
返回顶部
区长信箱
意见征集
问卷调查
智能问答